精密点焊机PIW-5031B 的特点 WEIERDA|苏州北京pk赛车10开奖直播-北京pk1o开奖网-北京pk开奖全天记录-北京pk赛车彩票平台-北京pk赛车计划稳赚
苏州北京pk赛车10开奖直播-北京pk1o开奖网-北京pk开奖全天记录-北京pk赛车彩票平台-北京pk赛车计划稳赚精密点焊机PIW-5031BA 产品特点
LCD彩屏中文显示,操作简单易懂
次级【定电流】【定电压】【定功率】及混合模式
初级【定电流】【定脉宽】
实时检测显示焊接电流,电压,功率,电阻等数据和波形
丰富的I/O接口,与PC或PLC进行通讯,适合自动化对接
可与通道分配器连接,实现多通道焊接(一个主机连接最多5个变压器)
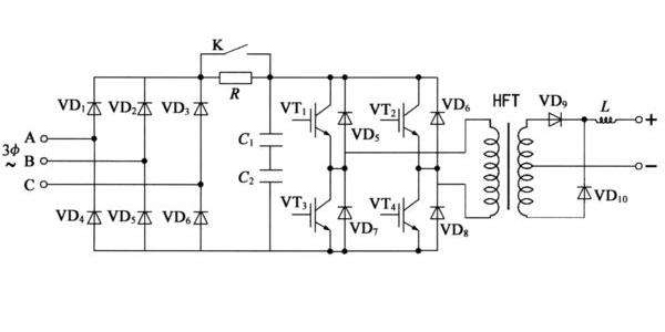
精密点焊机逆变原理图:


精密点焊机焊接电源PIW-5031B产品优势
直流方波输出,可设置电流缓升缓降,波形平整,逆变频率2K-8K可以根据客户需求定制,无交流过零点电流不连续的缺陷,热量集中,提高了焊接热效应。
由32位单片机控制,具有初级定电流,次级定电流,定电压,定功率,定脉宽占空比,同时对电流,电压,功率,电阻,占空比进行监控。
采用目前主流的桥式逆变技术,稳定节能可靠。
具有电流异常,监控值超限,过热等报警,并且通过I/O输出,提高焊接品质。
硬件自我保护功率,本公司所设计的产品,均采用厚膜保护,外部异常情况下,智能切换IGBT模块的驱动信号,增强系统保护功率。
多段多次加热设定,电流缓升缓降功能,中间冷却功能,多段重复功率,适合复杂焊接过程,复杂功率的需求。
63组参数存储,方便多种焊接品种的使用
强大的外部通讯功能:外部PLC可以通过8421码调用任何一组程序, 具有焊接结束,故障,计数,良品与不良品判断,RS232数据通讯接口,适合自动化焊接。
强大的数据处理功能,采用目前市场最快的32位ARM芯片,外加逻辑处理器控制,比同行业用的PIC芯片快至少200倍。
响应速度快,采用了1K,4K,8KHZ的逆变频率,有交流和储能焊机从原理上无法超越的优势,同时也远远领先国内其他同行。
焊接实例:




逆变点焊机焊接电源PIW-5031BA功率参数:
| 型号 | 输入电压 | 额定功率 | 最大输出电流 | 控制模式 | 负载持续率 | 逆变频率 |
| PIW-5031B | 交流三相380V | 15KVA | 5000A | 初级定电流/次级定电流/定电压/定功率/定脉宽 | 7% | 1k-8k根据客户要求 |
| 焊接循环时段 | 焊接脉冲数 | 电流缓升缓降 | 存储焊接规范数 | 外形尺寸(mm) | 重量 | |
| 20 | 2 | 有 | 63 | 142*480*269 | 10KG |
北京pk赛车10开奖直播-北京pk1o开奖网-北京pk开奖全天记录-北京pk赛车彩票平台-北京pk赛车计划稳赚其他产品型号:
IP逆变焊接电源系列:IP-1300A,IP-2500A,IP-4000C,IP-5000A
PIW逆变焊接电源系列:PIW-5030B,PIW-5031B,PIW-5032B,PIW-5033B
晶体管焊接电源系列:PDA-1500A,PDB-1500A,PDC-1500A,PDA-3000A,PDB-3000A,PDC-3000A
PDA-6000A,PDB-5000A,PDC-5000A,PDA-10000A
焊接电流监测仪:MM-122A,PC-120A
焊接压力测试仪:PFDC-100A
电池点焊机系列:PB-CZ40-001 ,PB-SP40-001,WTA-4000B,WTA-8000B
马达点焊机系列:PDAML-507-J
电感点焊机系列:PB-DG40-003

QQ客服