精密点焊机用逆变焊接电源IP-4000C 特点 WEIERDA|苏州北京pk赛车10开奖直播-北京pk1o开奖网-北京pk开奖全天记录-北京pk赛车彩票平台-北京pk赛车计划稳赚
逆变焊接电源IP-4000C 产品特点
一体式的设计,方便日常管理和使用。
具备63种焊接规范的设
高亮的LCD屏显示,美观易懂。
采用四键设置规范参数,极易上手操作。
实时监测焊接电流值。
对输出电流采用上下限设置,电流异常报警功能,确保了焊接品质。
焊接电流精准控制,适用于细小产品的焊接。
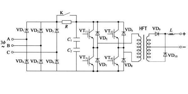
逆变焊接电源IP-4000C逆变原理图:

逆变焊接电源IP-4000C产品优势
直流方波输出,可设置电流缓升缓降,波形平整,逆变频率2K-8K可以根据客户需求定制,无交流过零点电流不连续的缺陷,热量集中,提高了焊接热效应。
由32位单片机控制,具有初级定电流,次级定电流,定电压,定功率,定脉宽占空比,同时对电流,电压,功率,电阻,占空比进行监控。
采用目前主流的桥式逆变技术,稳定节能可靠。
具有电流异常,监控值超限,过热等报警,并且通过I/O输出,提高焊接品质。
硬件自我保护功率,本公司所设计的产品,均采用厚膜保护,外部异常情况下,智能切换IGBT模块的驱动信号,增强系统保护功率。
多段多次加热设定,电流缓升缓降功能,中间冷却功能,多段重复功率,适合复杂焊接过程,复杂功率的需求。
63组参数存储,方便多种焊接品种的使用
强大的外部通讯功能:外部PLC可以通过8421码调用任何一组程序, 具有焊接结束,故障,计数,良品与不良品判断,RS232数据通讯接口,适合自动化焊接。
强大的数据处理功能,采用目前市场最快的32位ARM芯片,外加逻辑处理器控制,比同行业用的PIC芯片快至少200倍。
响应速度快,采用了1K,4K,8KHZ的逆变频率,有交流和储能焊机从原理上无法超越的优势,同时也远远领先国内其他同行。
焊接实例:




逆变焊接电源IP-4000C功率参数:
| 型号 | 输入电压 | 额定功率 | 最大输出电流 | 控制模式 | 负载持续率 | 逆变频率 |
| IP-4000C | 交流380V | 12KVA | 4000A | 定电流/定电压/定功率 | 7% | 1k-8k根据客户要求 |
| 焊接循环时段 | 焊接脉冲数 | 电流缓升缓降 | 存储焊接规范数 | 外形尺寸(mm) | 重量 | |
| 20 | 2 | 有 | 63 | 172*480*269(电源) 195*400*180(变压器) | 12KG(电源) 15KG(变压器) |

QQ客服